반도체를 만들 때에는 웨이퍼 위에 물질을 쌓는 방식을 사용합니다.
이때 물질을 쌓는 것을 '증착(Deposition)'한다고 표현합니다.
증착하는 방법은 크게 화학적 증착과 물리적 증착으로 나눌 수 있습니다.
PVD (Physical Vapor Deposition)
PVD는 물리적으로 증착하는 방식입니다.
보통 증착물질을 고진공 chamber에서 가열하여 증착하는데,
Isotropic해서 step coverage가 낮습니다.
E-beam Evaporation
E-beam으로 증착물질을 가열하는 방식입니다.
가열하면 증착물질이 플라즈마 상태가 되는데요,
이때 DC 전압을 걸어서 증착합니다.
PVD 중에서는 step coverage가 높은 편입니다.
Sputtering
chamber 내부에 Ar을 주입하고
증착기판 (+) 사료기판 (-) 고전압을 걸어줍니다.
전자가 Ar과 충돌하면 이온화가 되고 Ar+는 (-)극에 충돌합니다.
Ar+가 시료기판에 충돌하면 시료기판에서 시료가 튀어나와서 (+)에 증착됩니다.
CVD (Chemical Vapor Deposition)
CVD는 화학적 증착 방식으로 gas의 확산과 반응을 이용합니다.
gas가 확산되어 웨이퍼 표면에 증착되면 반응(reaction)이 일어납니다.
반응이 일어난 후 남은 product가 탈착되고 확산을 통해 빠져나갑니다.
Deal Grove model을 이용해 확산반응과 표면반응의 시간을 분석하여
어떤 것이 CVD 시간을 지배하는지 알아볼 수 있습니다.
APCVD

APCVD는 대기상태와 같은 압력에서 증착을 진행합니다.
간단하지만 고온이 필요하고 step coverage가 낮으며 오염이 심하다는 단점이 있습니다.
이러한 단점들 때문에 최근에는 잘 사용하지 않습니다.
LPCVD

LPCVD는 Low Pressure에서 증착이 진행됩니다.
APCVD보단 높지만 저기압에서 진행되어서 고온이 필요합니다.
한번에 여러장을 증착할 수 있어서 대량생산이 가능합니다.
또한 step coverage가 높다는 장점이 있습니다.
PECVD (Plasma Enhanced)

APCVD는 저온에서 너무 느리고 IMD 위로는 thermal budget이 낮아서 고온 공정이 어렵습니다.
하지만 PECVD는 plasma가 결합선을 끊어줘서 낮은 에너지로도 증착이 가능합니다.
저온, 저압
증착속도도 빠르고 step coverage도 괜찮은 편이라 널리 사용됩니다.
단점으로는 Plasma에 의한 기판손상과 불순물 발생이 있습니다.
또한 mass transfer가 높아서 가장자리에 더 많이 증착됩니다.
HDPCVD (High Density Plasma)

PECVD보다 고밀도 plasma를 사용합니다.
DC Bias를 올려서 밀도를 높여줍니다.
Ar plasma에 의한 sputter 효과로 Deposition과 Etch를 동시에 하는 것과 비슷합니다.
따라서 gap fill이 우수하지만 etch에 의한 damage가 있습니다.
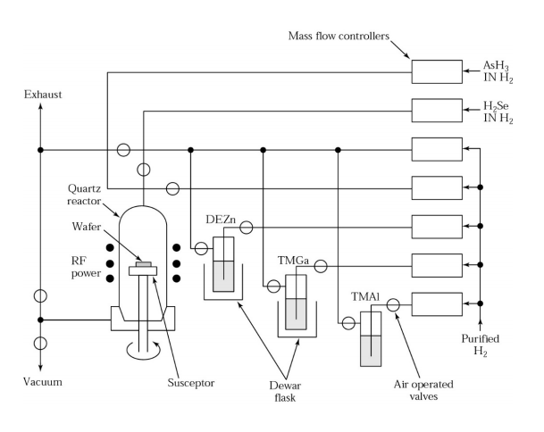
MOCVD (Metal Organic)

ALD (Atomic Layer Deposition)

Quality가 가장 우수한 ALD입니다.
ALD는 원자층을 한 층 한 층 쌓는 방식을 사용하여 품질을 높일 수 있습니다.
주로 gate oxide와 같이 치밀한 구조를 요구하는 층에 사용됩니다.
정밀한 컨트롤로 가장 높은 품질을 만들어 낼 수 있지만 느리다는 단점이 있습니다.
'반도체공정' 카테고리의 다른 글
| [반도체공정] 이온주입 및 확산공정 (Ion Implantation&Diffusion) (1) | 2023.01.17 |
|---|---|
| [반도체공정] 식각공정 (Etching) (1) | 2023.01.14 |
| [반도체공정] 사진공정 (Photo Lithography) (1) | 2023.01.14 |
| [반도체공정] 산화공정 (Oxidation) (1) | 2023.01.14 |
| [반도체공정] 웨이퍼 제조 (1) | 2023.01.14 |
댓글